
.jpg)
- Spedizioni nazionali ed internazionali
Motore Lombardini 15LD 225
Motore Diesel Lombardini 15LD 225
Il motore diesel Lombardini 15LD 225 è sinonimo di affidabilità e versatilità. Ideale per applicazioni agricole, industriali e di costruzione, come motoagricole, rasaerba, miniescavatori e generatori.
Dotato di basamento in alluminio, canna in ghisa e tecnologie avanzate come decompressione automatica e regolatore centrifugo, garantisce prestazioni elevate, lunga durata e un funzionamento ottimizzato per ogni esigenza.
| Caratteristica | Valore |
|---|---|
| Marca | Lombardini |
| Alimentazione | Diesel |
| Cilindri | 1 |
| Alesaggio (mm) | 69 |
| Corsa (mm) | 60 |
| Cilindrata (cm3) | 224 |
| Tipo di iniezione | DI |
| Sequenza di compressione (gradi) | 21:1 |
| Caratteristica | Valore |
|---|---|
| Marca | Lombardini |
| Alimentazione | Diesel |
| Cilindri | 1 |
| Alesaggio (mm) | 69 |
| Corsa (mm) | 60 |
| Cilindrata (cm3) | 224 |
| Tipo di iniezione | DI |
| Sequenza di compressione (gradi) | 21:1 |
Il motore diesel Lombardini 15LD 225 è un motore diesel a 4 tempi progettato per offrire prestazioni eccellenti in una vasta gamma di applicazioni. Grazie alla sua versatilità, è la scelta ideale per motoagricole, motocoltivatori, rasaerba, miniescavatori, betoniere, generatori, piattaforme aeree e molto altro.
Il motore Lombardini 15LD 225 è costruito con materiali di alta qualità, come il basamento in alluminio pressofuso con canna in ghisa integrale e la testa in alluminio, assicura robustezza e affidabilità anche in condizioni di lavoro gravose. La presa di moto conica sull'albero motore e il design con rotazione antioraria lo rendono adatto a molteplici soluzioni.
Dotato di tecnologie avanzate, include un sistema di lubrificazione forzata con pompa a lobi, regolatore centrifugo a massa per il controllo della velocità, decompressione automatica per facilitare l'avviamento e filtro olio interno a passaggio totale. Funzionalità come lo spurgo automatico del combustibile, il ricircolo dello sfiato olio e il supplemento di combustibile per l'avviamento garantiscono efficienza e praticità, rappresentando una soluzione ottimale per chi cerca un motore potente e duraturo.
Curve di potenza
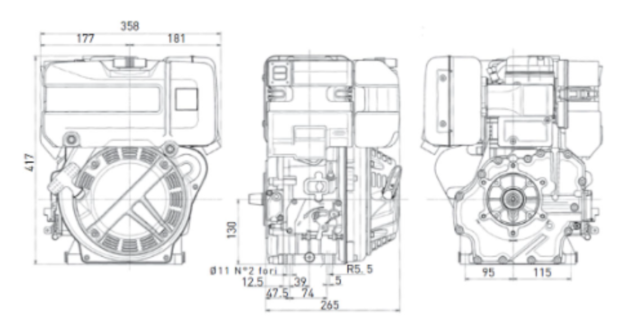
Dimensioni (mm)
| Prestazioni | |||||||
|---|---|---|---|---|---|---|---|
| Conformità normativa emissioni | ECE R 24 | ||||||
| Potenza (kW/HP)*Curve potenza | |||||||
| N (80/1269/CEE)ISO 1585 | 3.5/4.8 | ||||||
| N ISO 3046 IFN | 3.3/4.5 | ||||||
| N ISO 3046 ICXN | 3.1/4.2 | ||||||
| Coppia massima (Nm@giri/min) | 10.4@2400 | ||||||
| Regime min. a vuoto (giri/min) | 950@1000 | ||||||
| Caratteristiche fisiche | |||||||
|---|---|---|---|---|---|---|---|
| AxLxP (ventola esclusa) (mm) | 417X358X265 | ||||||
| Peso a secco (kg) | 28 | ||||||
| Lato manutenzione - posizione | 1 side service | ||||||
| Temperatura ambiente d'utilizzo (°C) | -10° +50° | ||||||
| Massima inclinazione ammissibile (intermittente - 30 min) (gradi) | 25° | ||||||
| Massima inclinazione ammissibile (tempo massimo -1 min) (gradi) | 35° | ||||||
| Portata aria combustione @3600 l/min | 350 | ||||||
| Portata aria raffreddamenento @3600 l/min | 3800 | ||||||
| Manutenzione | |||||||
|---|---|---|---|---|---|---|---|
| Capacità serbatoio (l) | 3 | ||||||
| Capacità olio lubrificante (l) | 0,9 | ||||||
| Consumo olio (kg/h) | 0,00021 | ||||||
| Intervallo sostituzione olio (ore) | 250 | ||||||
| Intervallo sostituzione filtro olio (ore) | 500 | ||||||
| Intervallo sostituzione filtro aria a secco | 250 | ||||||
| Intervallo registrazione gioco valvole (ore) | 500 | ||||||
| Lubrificante | Oil SAE 5W 40 | ||||||
| Potenza | |||||||||
|---|---|---|---|---|---|---|---|---|---|
| Frequenza (Hz) | RPM | Modello Motore | Potenza Meccanica | Potenza Elettrica Intermittente | Potenza Elettrica Continua | Flangia (ø) | |||
| Stand-by (kW-HP) | Prime (kW-HP) | kW | kW | kVA | kW | ||||
| 50 | 3000 | 15LD 225 | 3.0 - 4.8 | 2.7 - 3.7 | 2.8 | 2.2 | 2.6 | 2.1 | 23 |
| 60 | 3600 | 15LD 225 | 3.3 - 4.5 | 3.0 - 4.1 | 3.1 | 2.5 | 2.9 | 2.3 | 23 |
| Caratteristiche fisiche | |||||||
|---|---|---|---|---|---|---|---|
| AxLxP (ventola esclusa) (mm) | 417X358X265 | ||||||
| Peso a secco (kg) | 28 | ||||||
| Lato manutenzione - posizione | 1 side service | ||||||
| Temperatura ambiente d'utilizzo (°C) | -10° +50° | ||||||
| Massima inclinazione ammissibile (intermittente - 30 min) (gradi) | 25° | ||||||
| Massima inclinazione ammissibile (tempo massimo -1 min) (gradi) | 35° | ||||||
| Portata aria combustione @3600 l/min | 350 | ||||||
| Portata aria raffreddamenento @3600 l/min | 3800 | ||||||
| Prestazioni | |||||||||||
|---|---|---|---|---|---|---|---|---|---|---|---|
| Conformità normativa emissioni | ECE R 24 | ||||||||||
| Potenza (kW/HP)*Curve potenza | |||||||||||
| N (80/1269/CEE)ISO 1585 | 3.5/4.8 | ||||||||||
| N ISO 3046 IFN | 3.3/4.5 | ||||||||||
| N ISO 3046 ICXN | 3.1/4.2 | ||||||||||
| Coppia massima (Nm@giri/min) | 10.4@2400 | ||||||||||
| Regime min. a vuoto (giri/min) | 950@1000 | ||||||||||
| Manutenzione | |||||||
|---|---|---|---|---|---|---|---|
| Capacità serbatoio (l) | 3 | ||||||
| Capacità olio lubrificante (l) | 0,9 | ||||||
| Consumo olio (kg/h) | 0,00021 | ||||||
| Intervallo sostituzione olio (ore) | 250 | ||||||
| Intervallo sostituzione filtro olio (ore) | 500 | ||||||
| Intervallo sostituzione filtro aria a secco | 250 | ||||||
| Intervallo registrazione gioco valvole (ore) | 500 | ||||||
| Lubrificante | Oil SAE 5W 40 | ||||||
| Potenza | |||||||||
|---|---|---|---|---|---|---|---|---|---|
| Frequenza (Hz) | RPM | Modello Motore | Potenza Meccanica | Potenza Elettrica Intermittente | Potenza Elettrica Continua | Flangia (ø) | |||
| Stand-by (kW-HP) | Prime (kW-HP) | kVA | kW | kVA | kW | ||||
| 50 | 3000 | 15LD 225 | 3.0 - 4.8 | 2.7 - 3.7 | 2.8 | 2.2 | 2.6 | 2.1 | 23 |
| 60 | 3600 | 15LD 225 | 3.3 - 4.5 | 3.0 - 4.1 | 3.1 | 2.5 | 2.9 | 2.3 | 23 |
Hai bisogno di ricambi
per questo motore?
/Layer_1.png)
Spedizioni nazionali
ed internazionali
/Shopicons_Light_Service.png)
assistenza
pre e post vendita
/Shopicons_Light_Shield.png)