
.jpg)
.jpg)
.jpg)
.jpg)
- Spedizioni nazionali ed internazionali
Motore Lombardini 15LD 350
Motore Diesel Lombardini 15LD 350
Il motore diesel Lombardini 15LD 350 è un monocilindrico a 4 tempi, progettato per prestazioni elevate e versatilità. Ideale per attrezzature agricole, edilizie e industriali, offre soluzioni affidabili per motozappe, generatori, compressori e altro.
Dotato di tecnologie avanzate come la lubrificazione forzata, decompressione automatica e filtro olio interno, garantisce massima efficienza e durata.
| Caratteristica | Valore |
|---|---|
| Marca | Lombardini |
| Alimentazione | Diesel |
| Cilindri | 1 |
| Alesaggio (mm) | 82 |
| Corsa (mm) | 66 |
| Cilindrata (cm3) | 349 |
| Tipo di iniezione | DI |
| Sequenza di compressione (gradi) | 20.3:1 |
| Caratteristica | Valore |
|---|---|
| Marca | Lombardini |
| Alimentazione | Diesel |
| Cilindri | 1 |
| Alesaggio (mm) | 82 |
| Corsa (mm) | 66 |
| Cilindrata (cm3) | 349 |
| Tipo di iniezione | DI |
| Sequenza di compressione (gradi) | 20.3:1 |
Il motore diesel Lombardini 15LD 350 è un motore monocilindrico a 4 tempi, apprezzato per la sua versatilità e affidabilità. Progettato per un'ampia gamma di applicazioni, è ideale per macchine agricole come motoagricole, motozappe e motocoltivatori, oltre che per attrezzature edili e industriali come betoniere, compressori, rulli compattatori e generatori. Caratterizzato da una struttura robusta in alluminio pressofuso con canna in ghisa integrale, il motore Lombardini 15LD 350 garantisce leggerezza e resistenza.
Tra le caratteristiche tecniche di questo motore spiccano il regolatore di velocità centrifugo a masse, il sistema di lubrificazione forzata con pompa a lobi e il filtro olio interno a passaggio totale, che assicurano prestazioni ottimali e manutenzione ridotta. La decompressione automatica e il dispositivo di ricircolo dello sfiato olio migliorano la sicurezza e l’affidabilità durante l'uso. Inoltre, il motore è dotato di presa di moto conica, rotazione antioraria e piedi di fissaggio integrati, per un’installazione semplice e sicura.
Ideale per chi cerca un motore efficiente, resistente e adatto a molteplici usi, il motore Lombardini 15LD 350 si distingue per l'innovazione tecnologica e la qualità costruttiva, offrendo performance di alto livello in ogni applicazione.
Curve di potenza
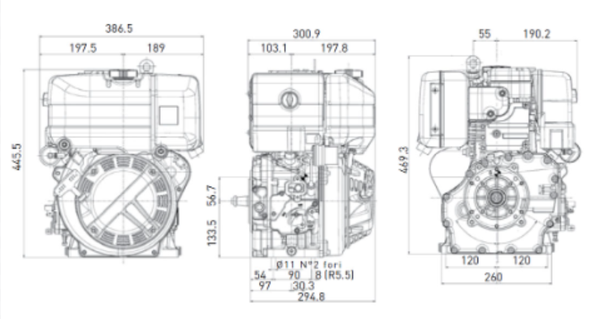
Dimensioni (mm)
| Prestazioni | ||||||||
|---|---|---|---|---|---|---|---|---|
| Conformità normativa emissioni | ECE R 24 | EPA TIER | ||||||
| Potenza (kW/HP)*Curve potenza | ||||||||
| N (80/1269/CEE)ISO 1585 | 5.5/7.5 | - | ||||||
| N ISO 3046 IFN | 5.1/7.0 | 4.6/6.3 | ||||||
| N ISO 3046 ICXN | 4.7/6.4 | 4.1/5.6 | ||||||
| Coppia massima (Nm@giri/min) | 10.6@2400 | 12.2@3600 | ||||||
| Regime min. a vuoto (giri/min) | 950:1000 | |||||||
| Caratteristiche fisiche | |||||||
|---|---|---|---|---|---|---|---|
| AxLxP (ventola esclusa) (mm) | 445.5x386.5x300.9 | ||||||
| Peso a secco (kg) | 33 | ||||||
| Lato manutenzione - posizione | Su lato unico | ||||||
| Temperatura ambiente d'utilizzo (°C) | -10° +50° | ||||||
| Massima inclinazione ammissibile (intermittente - 30 min) (gradi) | 25° | ||||||
| Massima inclinazione ammissibile (tempo massimo -1 min) (gradi) | 35° | ||||||
| Portata aria combustione @3600 l/min | 540 | ||||||
| Portata aria raffreddamenento @3600 l/min | 5000 | ||||||
| Manutenzione | |||||||
|---|---|---|---|---|---|---|---|
| Capacità serbatoio (l) | 4.3 | ||||||
| Capacità olio lubrificante (l) | 1.2 | ||||||
| Consumo olio (kg/h) | 0.00032 | ||||||
| Intervallo sostituzione olio (ore) | 250 | ||||||
| Intervallo sostituzione filtro olio (ore) | 500 | ||||||
| Intervallo sostituzione filtro aria a secco | 250 | ||||||
| Intervallo registrazione gioco valvole (ore) | 500 | ||||||
| Lubrificante | Oil SAE 5W 40 | ||||||
| Potenza | |||||||||
|---|---|---|---|---|---|---|---|---|---|
| Frequenza (Hz) | RPM | Modello Motore | Potenza Meccanica | Potenza Elettrica Intermittente | Potenza Elettrica Continua | Flangia (ø) | |||
| Stand-by (kW-HP) | Prime (kW-HP) | kVA | kW | kVA | kW | ||||
| 50 | 3000 | 15LD 350 | 4.7 - 6.3 | 4.2 - 5.7 | 4.6 | 3.7 | 4.3 | 3.5 | 23 |
| 60 | 3600 | 15LD 350 | 5.1 - 7.0 | 4.6 - 6.3 | 5.1 | 4.1 | 4.7 | 3.8 | 23 |
| Physical data | |||||||
|---|---|---|---|---|---|---|---|
| AxLxP (ventola esclusa) (mm) | 445.5x386.5x300.9 | ||||||
| Peso a secco (kg) | 33 | ||||||
| Lato manutenzione - posizione | Su lato unico | ||||||
| Temperatura ambiente d'utilizzo (°C) | -10° +50° | ||||||
| Massima inclinazione ammissibile (intermittente - 30 min) (gradi) | 25° | ||||||
| Massima inclinazione ammissibile (tempo massimo -1 min) (gradi) | 35° | ||||||
| Portata aria combustione @3600 l/min | 540 | ||||||
| Portata aria raffreddamenento @3600 l/min | 5000 | ||||||
| Performace data | |||||||||||
|---|---|---|---|---|---|---|---|---|---|---|---|
| Conformità normativa emissioni | ECE R 24 | EPA TIER | |||||||||
| Potenza (kW/HP)*Curve potenza | |||||||||||
| N (80/1269/CEE)ISO 1585 | 5.5/7.5 | - | |||||||||
| N ISO 3046 IFN | 5.1/7.0 | 4.6/6.3 | |||||||||
| N ISO 3046 ICXN | 4.7/6.4 | 4.1/5.6 | |||||||||
| Coppia massima (Nm@giri/min) | 10.6@2400 | 12.2@3600 | |||||||||
| Regime min. a vuoto (giri/min) | 950@1000 | ||||||||||
| Manutenzione | |||||||
|---|---|---|---|---|---|---|---|
| Capacità serbatoio (l) | 4.3 | ||||||
| Capacità olio lubrificante (l) | 1.2 | ||||||
| Consumo olio (kg/h) | 0.00032 | ||||||
| Intervallo sostituzione olio (ore) | 250 | ||||||
| Intervallo sostituzione filtro olio (ore) | 500 | ||||||
| Intervallo sostituzione filtro aria a secco | 250 | ||||||
| Intervallo registrazione gioco valvole (ore) | 500 | ||||||
| Lubrificante | Oil SAE 5W 40 | ||||||
| Potenza | |||||||||
|---|---|---|---|---|---|---|---|---|---|
| Frequenza (Hz) | RPM | Modello Motore | Potenza Meccanica | Potenza Elettrica Intermittente | Potenza Elettrica Continua | Flangia (ø) | |||
| Stand-by (kW-HP) | Prime (kW-HP) | kVA | kW | kVA | kW | ||||
| 50 | 3000 | 15LD 350 | 4.7 - 6.3 | 4.2 - 5.7 | 4.6 | 3.7 | 4.3 | 3.5 | 23 |
| 60 | 3600 | 15LD 350 | 5.1 - 7.0 | 4.6 - 6.3 | 5.1 | 4.1 | 4.7 | 3.8 | 23 |
Hai bisogno di ricambi
per questo motore?
/Layer_1.png)
Spedizioni nazionali
ed internazionali
/Shopicons_Light_Service.png)
assistenza
pre e post vendita
/Shopicons_Light_Shield.png)