
.jpg)
.jpg)
- Spedizioni nazionali ed internazionali
Motore Lombardini 12LD 477/2
Motore Diesel Lombardini 12LD 477/2
Il motore diesel Lombardini 12LD 477/2, è un potente motore a 4 tempi, raffreddato ad aria, che offre 22.8 CV di potenza con 2 cilindri robusti e affidabili.
Ideale nel settore agricolo e industriale, alimenta motoagricole, betoniere, miniescavatori, generatori e molto altro. Dotato di sistema di iniezione diretta, lubrificazione forzata, avviamento elettrico e materiali resistenti, assicura efficienza e prestazioni durature anche in condizioni di lavoro estreme.
| Caratteristica | Valore |
|---|---|
| Marca | Lombardini |
| Alimentazione | Diesel |
| Cilindri | 2 |
| Alesaggio (mm) | 90 |
| Corsa (mm) | 75 |
| Cilindrata (cm3) | 954 |
| Tipo di iniezione | DI |
| Sequenza di compressione (gradi) | 19:1 |
| Caratteristica | Valore |
|---|---|
| Marca | Lombardini |
| Alimentazione | Diesel |
| Cilindri | 2 |
| Alesaggio (mm) | 90 |
| Corsa (mm) | 75 |
| Cilindrata (cm3) | 954 |
| Tipo di iniezione | DI |
| Sequenza di compressione (gradi) | 19:1 |
Il motore diesel Lombardini 12LD 477/2 rappresenta una soluzione versatile e performante per applicazioni nei settori dell’agricoltura e delle costruzioni. Con una potenza di 22.8 CV, 2 cilindri indipendenti e design a 4 tempi raffreddato ad aria, garantisce affidabilità e durata anche nelle condizioni più impegnative. Ideale per macchinari come motoagricole, betoniere, miniescavatori, generatori, piastre vibranti e piattaforme aeree, offre prestazioni ottimali grazie all’iniezione diretta e al sistema di lubrificazione forzata.
Progettato con materiali di qualità, come teste in lega d’alluminio e cilindri in ghisa rialesabili, il motore Lombardini 12LD 477/2 presenta caratteristiche avanzate quali avviamento elettrico, regolatore centrifugo di velocità e correttore di coppia. Il basamento in alluminio pressofuso assicura leggerezza e resistenza, mentre la rotazione antioraria e la presa di moto sull’albero motore ne aumentano la versatilità.
Grazie al supplemento automatico di combustibile per l’avviamento e al raffreddamento ad aria forzata, il motore Lombardini 12LD 477/2 è sinonimo di efficienza, facilità di manutenzione e prestazioni eccellenti in ogni ambito operativo.
Curve di potenza
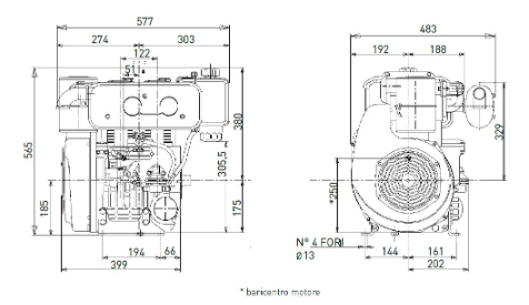
Dimensioni (mm)
| Prestazioni | ||||||||
|---|---|---|---|---|---|---|---|---|
| Conformità normativa emissioni | ECE R 24 | |||||||
| Potenza (kW/HP)*Curve potenza | ||||||||
| N (80/1269/CEE)ISO 1585 | 16.8/22.8 | |||||||
| N ISO 3046 IFN | 15.7/21.4 | |||||||
| N ISO 3046 ICXN | 14.5/19.7 | |||||||
| Coppia massima (Nm@giri/min) | 55.0@2100 | |||||||
| Regime min. a vuoto (giri/min) | 1000 | |||||||
| Caratteristiche fisiche | |||||||
|---|---|---|---|---|---|---|---|
| AxLxP (ventola esclusa) (mm) | 565x577x483 | ||||||
| Peso a secco (kg) | 78 | ||||||
| Lato manutenzione - posizione | lato unico | ||||||
| Temperatura ambiente d'utilizzo (°C) | -10° +45° | ||||||
| Massima inclinazione ammissibile (intermittente - 30 min) (gradi) | 25° | ||||||
| Massima inclinazione ammissibile (tempo massimo -1 min) (gradi) | 35° | ||||||
| Portata aria combustione @3600 l/min | 1500/1220 | ||||||
| Portata aria raffreddamenento @3600 l/min | 15800/13200 | ||||||
| Manutenzione | |||||||
|---|---|---|---|---|---|---|---|
| Capacità serbatoio (l) | 7 | ||||||
| Capacità olio lubrificante (l) | 2.5 | ||||||
| Consumo olio (kg/h) | 0.011 | ||||||
| Intervallo sostituzione olio (ore) | 200 | ||||||
| Intervallo sostituzione filtro olio (ore) | 200 | ||||||
| Intervallo registrazione gioco valvole (ore) | 300 | ||||||
| Lubrificante | Oil SAE 15W 40 API CF4/SG ACEA B2/E2 | ||||||
| Potenza | |||||||||
|---|---|---|---|---|---|---|---|---|---|
| Freq. (Hz) | RPM | Modello motore | Potenza Meccanica | Potenza elettrica intermittaente | Potenza elettrica continua | Flangiature | |||
| Stand-by (kW-HP) | Prime (kW-HP) | kVA | kW | kVA | kW | cono Ø | |||
| 50 | 1500 | 12LD 477/2 | 7.7 - 10.5 | 7.0 - 9.5 | 8.1 | 6.5 | 7.3 | 5.9 | SAE 4 - 6,5 |
| 50 | 3000 | 12LD 477/2 | 14.0 - 19.0 | 12.7 - 17.3 | 14.9 | 11.9 | 13.4 | 10.7 | 38 |
| 50 | 1800 | 12LD 477/2 | 8.9 - 12.1 | 8.1 - 11.0 | 9.5 | 7.6 | 8.5 | 6.8 | SAE 5-6.5 |
| 60 | 3600 | 12LD 477/2 | 15.7 - 21.4 | 14.3 - 19.4 | 16.74 | 13.4 | 15 | 12 | 38 |
| Caratteristiche fisiche | |||||||
|---|---|---|---|---|---|---|---|
| AxLxP (ventola esclusa) (mm) | 565x577x483 | ||||||
| Peso a secco (kg) | 78 | ||||||
| Lato manutenzione - posizione | lato unico | ||||||
| Temperatura ambiente d'utilizzo (°C) | -10° +45° | ||||||
| Massima inclinazione ammissibile (intermittente - 30 min) (gradi) | 25° | ||||||
| Massima inclinazione ammissibile (tempo massimo -1 min) (gradi) | 35° | ||||||
| Portata aria combustione @3600 l/min | 1500/1220 | ||||||
| Portata aria raffreddamenento @3600 l/min | 15800/13200 | ||||||
| Prestazioni | |||||||||||
|---|---|---|---|---|---|---|---|---|---|---|---|
| Conformità normativa emissioni | ECE R 24 | ||||||||||
| Potenza (kW/HP)*Curve potenza | |||||||||||
| N (80/1269/CEE)ISO 1585 | 16.8/22.8 | ||||||||||
| N ISO 3046 IFN | 15.7/21.4 | ||||||||||
| N ISO 3046 ICXN | 14.5/19.7 | ||||||||||
| Coppia massima (Nm@giri/min) | 55.0@2100 | ||||||||||
| Regime min. a vuoto (giri/min) | 1000 | ||||||||||
| Manutenzione | |||||||
|---|---|---|---|---|---|---|---|
| Capacità serbatoio (l) | 7 | ||||||
| Capacità olio lubrificante (l) | 2.5 | ||||||
| Consumo olio (kg/h) | 0.011 | ||||||
| Intervallo sostituzione olio (ore) | 200 | ||||||
| Intervallo sostituzione filtro olio (ore) | 200 | ||||||
| Intervallo registrazione gioco valvole (ore) | 300 | ||||||
| Lubrificante | Oil SAE 15W 40 API CF4/SG ACEA B2/E2 | ||||||
| Potenza | |||||||||
|---|---|---|---|---|---|---|---|---|---|
| Freq. (Hz) | RPM | Modello motore | Potenza Meccanica | Potenza elettrica intermittaente | Potenza elettrica continua | Flangiature | |||
| Stand-by (kW-HP) | Prime (kW-HP) | kVA | kW | kVA | kW | cono Ø | |||
| 50 | 1500 | 12LD 477/2 | 7.7 - 10.5 | 7.0 - 9.5 | 8.1 | 6.5 | 7.3 | 5.9 | SAE 4 - 6,5 |
| 50 | 3000 | 12LD 477/2 | 14.0 - 19.0 | 12.7 - 17.3 | 14.9 | 11.9 | 13.4 | 10.7 | 38 |
| 50 | 1800 | 12LD 477/2 | 8.9 - 12.1 | 8.1 - 11.0 | 9.5 | 7.6 | 8.5 | 6.8 | SAE 5-6.5 |
| 60 | 3600 | 12LD 477/2 | 15.7 - 21.4 | 14.3 - 19.4 | 16.74 | 13.4 | 15 | 12 | 38 |
Hai bisogno di ricambi
per questo motore?
/Layer_1.png)
Spedizioni nazionali
ed internazionali
/Shopicons_Light_Service.png)
assistenza
pre e post vendita
/Shopicons_Light_Shield.png)