Motore Lombardini Marine LDW2204MT (64 kW)
Motore Diesel da 64 kW modello LDW1904MT Lombardini Marine
Il motore marino entrobordo diesel LDW 2204M Turbo da 87 hp, equipaggiato con la tecnologia CHD Lombardini Marine, offre alte prestazioni, affidabilità e robustezza.
Con consumi contenuti e lunghi intervalli di manutenzione, è la soluzione ideale per qualsiasi imbarcazione, utilizza un sistema di raffreddamento a liquido con scambiatore di calore per garantire massima efficienza e durata.
| Caratteristica | Valore |
|---|---|
| Marca | Lombardini Marine |
| Alimentazione | Diesel |
| Cilindri | 2 |
| Alesaggio (mm) | 72x62 |
| Cilindrata (cm3) | 505 |
| Potenza Max HP | 13 |
| Potenza Max KW | 9.5 |
| Potenza Elica HP | 11.5 |
| Potenza Elica KW | 8.5 |
| Rapporto di compressione | 22.3:1 |
| Giri/min | 3600 |
| Caratteristica | Valore |
|---|---|
| Marca | Lombardini Marine |
| Alimentazione | Diesel |
| Cilindri | 2 |
| Alesaggio (mm) | 72x62 |
| Cilindrata (cm3) | 505 |
| Potenza Max HP | 13 |
| Potenza Max KW | 9.5 |
| Potenza Elica HP | 11.5 |
| Potenza Elica KW | 8.5 |
| Rapporto di compressione | 22.3:1 |
| Giri/min | 3600 |
Il motore marino entrobordo diesel LDW 2204M Turbo da 87 hp rappresenta una delle soluzioni più potenti e performanti della linea Lombardini Marine, progettato per chi cerca un motore ad alte prestazioni, affidabile e durevole.
Grazie alla tecnologia CHD e di una potenza di 87 cavalli, l’LDW 2204M Turbo è la scelta perfetta per imbarcazioni di dimensioni medio-grandi che necessitano di prestazioni superiori, con una coppia elevata e una velocità di rotazione ottimizzata, è adatto a navigazioni lunghe, garantendo la massima efficienza anche in condizioni di mare difficili. Gli intervalli di manutenzione sono particolarmente lunghi, un fattore che riduce i costi operativi e il tempo trascorso in officina, aumentando la disponibilità del motore per ogni tipo di impiego.
Questo motore è ideale per una vasta gamma di imbarcazioni, dalla pesca al turismo nautico, fino all’impiego professionale, dove prestazioni elevate e affidabilità sono fondamentali. Con la sua eccellente tecnologia, i bassi consumi e la robustezza che contraddistinguono ogni motore Lombardini, l’LDW 2204M Turbo è una delle scelte più complete e versatili nel settore dei motori marini, perfetto per chi cerca una soluzione potente, efficiente e durevole nel tempo.
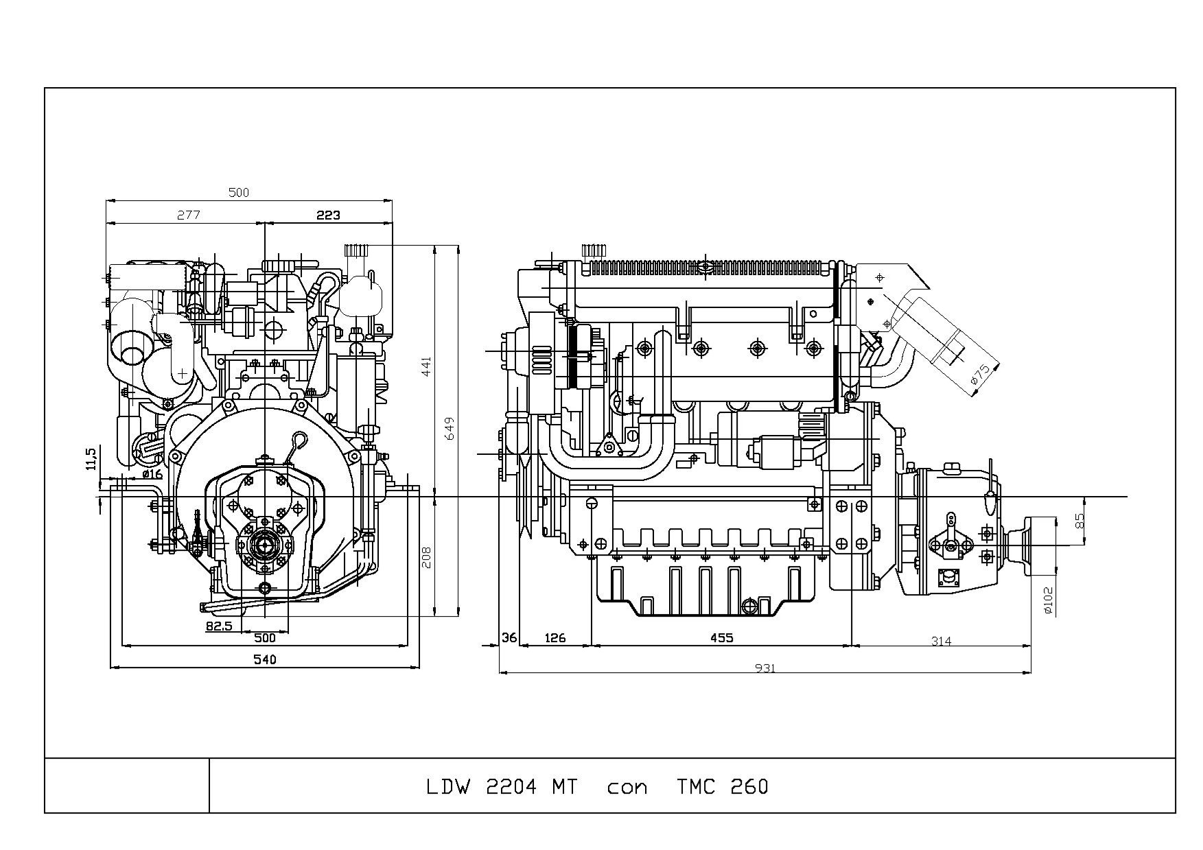
Dimensioni (mm)
Hai bisogno di ricambi
per questo motore?
/Layer_1.png)
Spedizioni nazionali
ed internazionali
/Shopicons_Light_Service.png)
assistenza
pre e post vendita
/Shopicons_Light_Shield.png)
