• Spedizioni nazionali ed internazionali

Motore Lombardini Marine LDW702 M (14,7 kW)

Motore Diesel da 14,7 kW modello LDW702 Lombardini Marine

Il motore entrobordo diesel Lombardini Marine LDW 702M offre 20 hp di potenza in un design compatto ed efficiente, perfetto per la guida senza patente. 

Basato sulla tecnologia FOCS, garantisce affidabilità, robustezza e consumi ridotti, con lunghi intervalli di manutenzione e il sistema di raffreddamento a liquido con scambiatore di calore lo rende ideale per imbarcazioni leggere e versatili.

Tabella Responsive
Caratteristica Valore
Marca Lombardini Marine
Alimentazione Diesel
Cilindri 2
Alesaggio (mm) 72x77.6
Cilindrata (cm3) 686
Potenza Max HP 20
Potenza Max KW 14.7
Potenza Elica HP 18
Potenza Elica KW 13.2
Rapporto di compressione 22.8:1
Giri/min 3600
Tabella Responsive
Caratteristica Valore
Marca Lombardini Marine
Alimentazione Diesel
Cilindri 2
Alesaggio (mm) 72x77.6
Cilindrata (cm3) 686
Potenza Max HP 20
Potenza Max KW 14.7
Potenza Elica HP 18
Potenza Elica KW 13.2
Rapporto di compressione 22.8:1
Giri/min 3600

Il motore entrobordo diesel Lombardini Marine LDW 702M, con i suoi 20 hp di potenza, rappresenta un perfetto equilibrio tra prestazioni, efficienza e praticità, ideale per chi cerca un motore che possa essere utilizzato senza necessità di patente nautica, è progettato per rispondere alle esigenze di chi desidera navigare in sicurezza e con la massima affidabilità.

Basato sulla tecnologia FOCS (Fully Overhead Controlling System), questo motore è sinonimo di robustezza e durata nel tempo; tra i suoi punti di forza spiccano i consumi ridotti, tra i migliori della categoria, che contribuiscono a un’esperienza di navigazione più economica e rispettosa dell’ambiente. 

Inoltre, gli intervalli di manutenzione prolungati offrono un significativo risparmio di tempo e denaro, rendendolo una scelta ideale per diportisti e professionisti, il motore si adatta perfettamente a imbarcazioni leggere e versatili, garantendo una navigazione fluida, silenziosa e affidabile.

Con il LDW 702M, Lombardini Marine offre una soluzione avanzata per chi cerca prestazioni elevate, costi di gestione contenuti e un motore adatto a ogni esigenza marittima, consolidando il suo ruolo di leader nel settore.

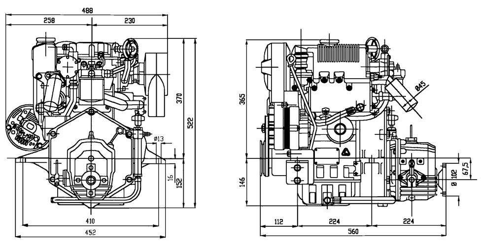
Dimensioni (mm)


Tabella Responsive
Physical data
Peso a secco (kg) 99
Altezza (mm) 522
Larghezza (mm) 488
Lunghezza (mm) 560
Tabella Responsive
Physical data
Peso a secco (kg) 99
Altezza (mm) 522
Larghezza (mm) 488
Lunghezza (mm) 560

Curve di potenza


Hai bisogno di ricambi
per questo motore?

Spedizioni nazionali
ed internazionali

assistenza
pre e post vendita

oltre 35 anni di
esperienza