• Spedizioni nazionali ed internazionali

Motore marino Lombardini LDW 1003 SD

Motore entrobordo diesel Lombardini Marine serie SD LDW 1003

Il motore entrobordo diesel Lombardini Marine SD LDW 1003 è un modello a 4 tempi con trasmissione Sail drive, perfetto per imbarcazioni a vela e da regata. 

Dotato di 3 cilindri, una potenza di 30 hp e sistema di raffreddamento a liquido tramite scambiatore di calore, si distingue per compattezza, leggerezza e affidabilità. Ideale per chi cerca prestazioni elevate e un design innovativo, garantisce efficienza e robustezza per ogni navigazione.

Tabella Responsive
Caratteristica Valore
Marca Lombardini Marine
Alimentazione Diesel
Cilindri 2
Alesaggio (mm) 75x77.6
Cilindrata (cm3) 1028
Potenza Max HP 30
Potenza Max KW 22.1
Potenza Elica HP 28
Potenza Elica KW 20.6
Rapporto di compressione 22.8:1
Peso (kg) 141
Giri/min 3600
Tabella Responsive
Marca Lombardini Marine
Alimentazione Diesel
Cilindri 2
Alesaggio (mm) 75x77.6
Cilindrata (cm3) 1028
Potenza Max HP 30
Potenza Max KW 22.1
Potenza Elica HP 28
Potenza Elica KW 20.6
Rapporto di compressione 22.8:1
Peso (kg) 141
Giri/min 3600

Il motore entrobordo diesel Lombardini Marine SD LDW 1003 è progettato per soddisfare le esigenze di chi cerca potenza e affidabilità in mare. Con una configurazione a 3 cilindri e un sistema di trasmissione Sail drive, questo motore a 4 tempi eroga una potenza massima di 30 hp (22,1 kW) a 3600 giri/min, offrendo prestazioni eccellenti sia su imbarcazioni a vela che su quelle da regata. Il sistema di raffreddamento a liquido, tramite scambiatore di calore, assicura un funzionamento efficiente anche in condizioni impegnative, mentre il rapporto di compressione di 22,8:1 contribuisce a ottimizzare il consumo di carburante.


Con un peso di soli 141 kg e dimensioni compatte, il motore SD LDW 1003 è ideale per ottimizzare gli spazi a bordo senza rinunciare a potenza e versatilità. L’innovativo piede S-Drive garantisce una trasmissione fluida e reattiva, rendendo questo motore una scelta perfetta per chi desidera prestazioni superiori in navigazione. Affidabile e robusto, è progettato per durare nel tempo, assicurando tranquillità durante ogni avventura in mare.

Curve di potenza


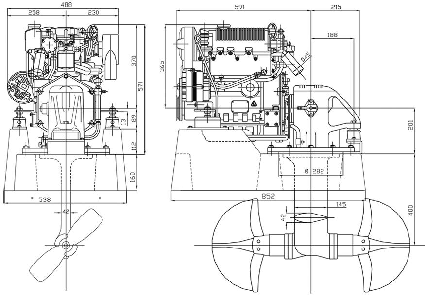
Dimensioni (mm)


Hai bisogno di ricambi
per questo motore?

Spedizioni nazionali
ed internazionali

assistenza
pre e post vendita

oltre 35 anni di
esperienza