Motore marino Lombardini LDW 1904 SD
Motore entrobordo diesel Lombardini Marine serie SD LDW 1904
Il motore entrobordo diesel Lombardini Marine SD LDW 502 offre affidabilità e prestazioni per imbarcazioni a vela e da regata.
Compatto e leggero, questo motore presenta 2 cilindri, una potenza di 13 hp ed è dotato di trasmissione Sail drive per massima efficienza, ideale per chi cerca un motore marino robusto e innovativo, capace di garantire una navigazione fluida e sicura.
| Caratteristica | Valore |
|---|---|
| Marca | Lombardini Marine |
| Alimentazione | Diesel |
| Cilindri | 4 |
| Alesaggio (mm) | 88x82 |
| Cilindrata (cm3) | 1995 |
| Potenza Max HP | 40.8 |
| Potenza Max KW | 30 |
| Potenza Elica HP | 37.5 |
| Potenza Elica KW | 27.6 |
| Rapporto di compressione | 22:01 |
| Peso (kg) | 257 |
| Giri/min | 3000 |
| Marca | Lombardini Marine |
| Alimentazione | Diesel |
| Cilindri | 4 |
| Alesaggio (mm) | 88x82 |
| Cilindrata (cm3) | 1995 |
| Potenza Max HP | 40.8 |
| Potenza Max KW | 30 |
| Potenza Elica HP | 37.5 |
| Potenza Elica KW | 27.6 |
| Rapporto di compressione | 22:01 |
| Peso (kg) | 257 |
| Giri/min | 3000 |
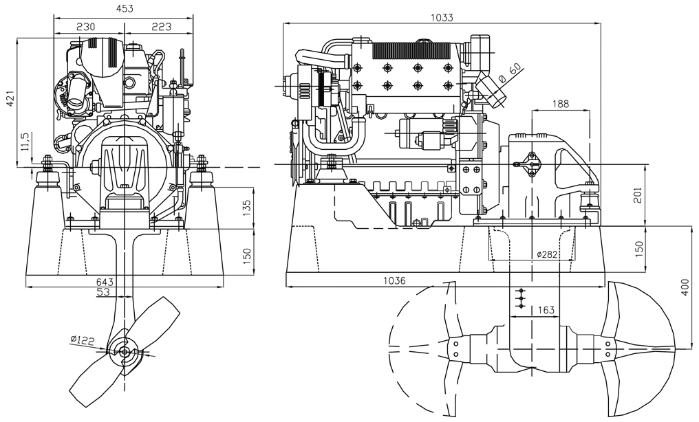
Il motore entrobordo diesel Lombardini Marine SD LDW 1904 è un motore marino di nuova generazione, progettato per garantire prestazioni elevate e massima affidabilità su imbarcazioni a vela e da regata. Dotato di 4 cilindri, 40 hp di potenza massima e una cilindrata di 1995 cm³, questo motore combina leggerezza e compattezza con un design innovativo.
La trasmissione Sail drive assicura una maggiore efficienza nella trasmissione della potenza all'elica, riducendo vibrazioni e consumi. Il sistema di raffreddamento a liquido con scambiatore di calore mantiene temperature ottimali anche in condizioni di utilizzo prolungato. Con un rapporto di compressione di 22:1 e una velocità massima di 3000 giri/min, offre prestazioni fluide e reattive.
Grazie alla sua affidabilità e alle caratteristiche tecniche avanzate, il motore SD LDW 1904 rappresenta una soluzione versatile e performante per chi cerca un motore marino durevole e facile da manutenere. Ideale per garantire sicurezza e comfort in navigazione, è la scelta perfetta per chi vuole coniugare prestazioni e praticità.
Curve di potenza
Hai bisogno di ricambi
per questo motore?
/Layer_1.png)
Spedizioni nazionali
ed internazionali
/Shopicons_Light_Service.png)
assistenza
pre e post vendita
/Shopicons_Light_Shield.png)





