Motore marino Lombardini LDW 2204 SD
Motore entrobordo diesel Lombardini Marine serie SD LDW 2204
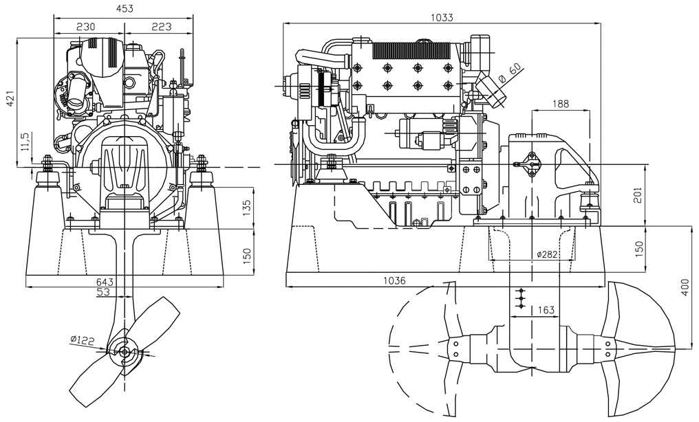
Il motore entrobordo diesel Lombardini Marine SD LDW 2204, con tecnologia Sail drive, è la scelta ideale per barche a vela e da regata.
Questo motore a 4 cilindri da 60 hp combina leggerezza, compattezza e prestazioni eccellenti. Con una potenza elica di 57 hp e un peso di soli 257 kg, garantisce affidabilità e sicurezza in tutte le condizioni, è la scelta migliore per chi cerca un motore marino robusto, efficiente e innovativo.
| Caratteristica | Valore |
|---|---|
| Marca | Lombardini Marine |
| Alimentazione | Diesel |
| Cilindri | 4 |
| Alesaggio (mm) | 88x90.4 |
| Cilindrata (cm3) | 2199 |
| Potenza Max HP | 60 |
| Potenza Max KW | 44 |
| Potenza Elica HP | 57 |
| Potenza Elica KW | 42 HP |
| Rapporto di compressione | 22:01 |
| Peso (kg) | 257 |
| Giri/min | 3600 |
| Marca | Lombardini Marine |
| Alimentazione | Diesel |
| Cilindri | 4 |
| Alesaggio (mm) | 88x90.4 |
| Cilindrata (cm3) | 2199 |
| Potenza Max HP | 60 |
| Potenza Max KW | 44 |
| Potenza Elica HP | 57 |
| Potenza Elica KW | 42 HP |
| Rapporto di compressione | 22:01 |
| Peso (kg) | 257 |
| Giri/min | 3600 |
Il motore entrobordo diesel Lombardini Marine SD LDW 2204 è un motore 4 tempi a 4 cilindri, progettato per barche a vela e da regata che richiedono potenza e affidabilità. Con una potenza massima di 60 hp (44 kW) e una potenza elica di 57 hp (42 kW), questo motore si distingue per l’efficienza e la sicurezza offerte dall’innovativa trasmissione Sail drive. Grazie a un rapporto di compressione di 22:1 e un regime massimo di 3600 giri/min, il motore LDW 2204 SD garantisce performance ottimali in ogni situazione.
Il peso contenuto di soli 257 kg e la cilindrata di 2199 cm³ rendono questo motore un’opzione versatile e facile da installare, adatta a diverse configurazioni di imbarcazioni. Il piede S-Drive assicura affidabilità e semplicità di manovra, anche in condizioni difficili. Realizzato con materiali di alta qualità, il motore LDW 2204 SD è sinonimo di durabilità e ridotta manutenzione, rappresentando una scelta eccellente per i diportisti e i professionisti del mare che desiderano prestazioni e sicurezza senza compromessi.
Curve di potenza
Hai bisogno di ricambi
per questo motore?
/Layer_1.png)
Spedizioni nazionali
ed internazionali
/Shopicons_Light_Service.png)
assistenza
pre e post vendita
/Shopicons_Light_Shield.png)


